登录 / 注册
Home
Product Center
Application Industry
News Center
Recruitment and Career Development
About Us
搜索
Product Center

Provide you with enterprise-level interconnection chips

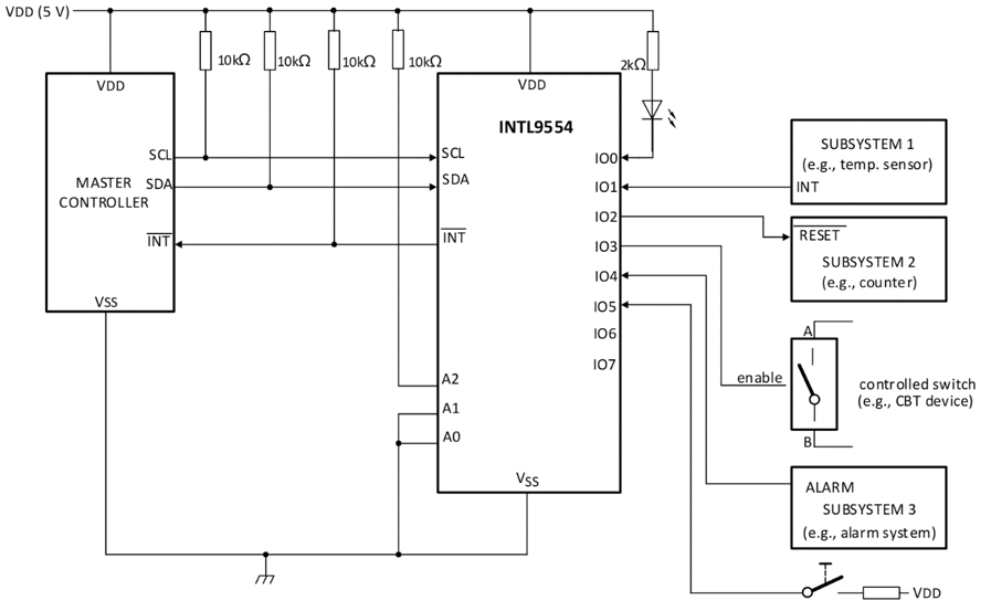
INTL9554

 8 channels of I2C and SMBus GPIO expanders with interrupt outputs


I2C/SMBus to 8-channel GPIO

Frequencies between 0 to 400kHz, with noise filters at SDA/SCL inputs are supported

Active-low interrupt outputs are supported and 8 of these chips can be connected to the bus at the same time

Operating temperature: -40°C~85°C

Package: TSSOP16

Product information download
product details

INTL9554 is a 16-pin device that provides 8-bit general-purpose parallel input and output expansion for a two-wire bidirectional I2C bus (or SMBus). The device operates from a supply voltage ranging from 1.65V to 5.5V. The INTL9554 functions include generating an interrupt on the INT pin when the state of the input port changes. The A0, A1, and A2 hardware selectable address pins allow up to 8 INTL9554 devices on the same I2C bus.


9554.png


Application Diagram

application

Server

Storage

Switch

Router

Copyright © 2019-2025 成都suncitygroup太阳微电子科技股份有限公司 版权所有 备案编号: 蜀ICP备2022009451号 川公网安备 51019002004893号

登录
注册
重设密码